Our first op amp circuit will be the non inverting amplifier, the relatively simple voltage amplifier circuit that pretty much everyone starts with.

We're going to start off with a bare bones version of it, which can only amplify a positive voltage, and slowly work our way up to amplifying AC and audio signals, which, as you'll see, requires a bit of additional circuitry.


Just to be as clear as possible about this, when we talk about gain here, we're talking about voltage gain. A gain of 2 here just means that the output voltage is the input voltage times 2. A gain of X just means that the output voltage is the input voltage times X.

We're not talking about decibels or SPL yet! That's a whole bunch of other calculations and conceptual leaps worthy of their own lessons, which will come later.


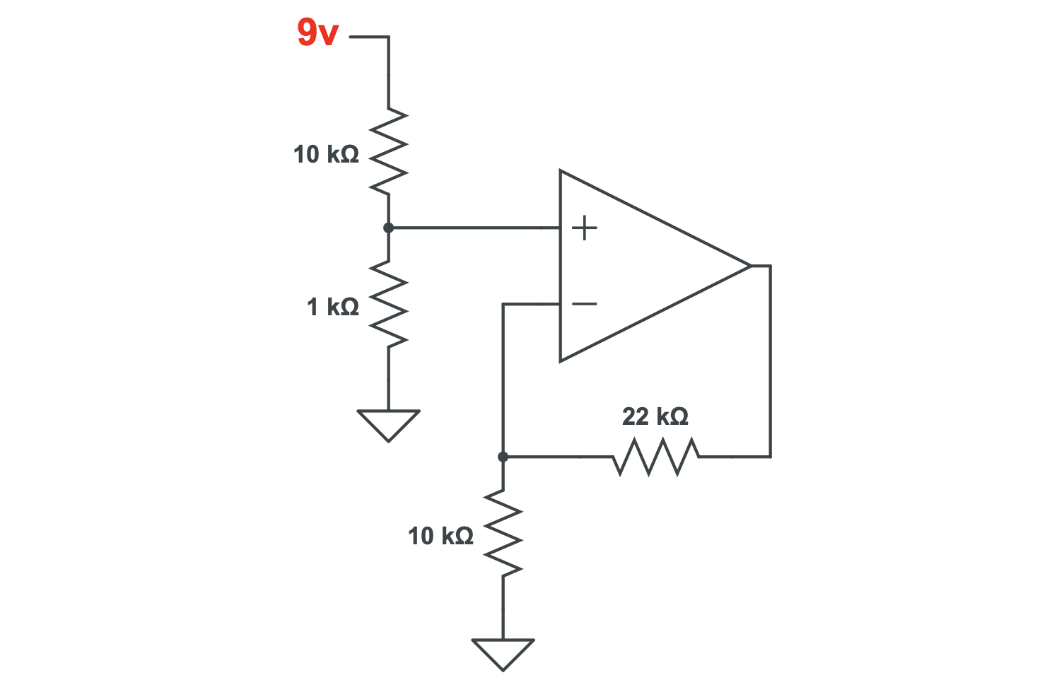
Below I did a second example circuit, changing out one of the resistors so we get a different gain. I'd strongly recommend doing this once or twice with different resistors, just to see it working, and see if it matches your calculations.

I'd recommend using resistors with values 1k or greater for R1 and R2. If you remember the Power lesson from chapter one, we're using 1/4 watt resistors. And a 1/4 watt resistor with a resistance under 1k, in a circuit powered by a 9v battery, could use so much power that it damages itself, and/or gets hot enough to burn your finger.

Also keep in mind this op amp can only output between 0v and a little less than the voltage of your battery. It varies for different models of op amps, but the LM358's output pins can only output a maximum voltage of your battery voltage minus somewhere around 1 to 1.5 volts. So even if you crank the gain of the op amp such that the formula tells you to expect a Vout of 100 or 1000 volts, the op amp won't be able to output more than somewhere around 7.5 to 8 volts.